Vážení zákazníci, na velikonoční pondělí je prodejna uzavřena.
Zákaznická linka: +420 725 716 664
DAVCOM

Úchyt na komín OK-50W13 - bez nutnosti vrtání

Krátký a stručný popis produktu…
Produkt pochází z oficiální CZ distribuce

831 Kč
Skladem
Osobně odběr - prodejna Litovel: 9.6.
Odeslání po ČR: 9.6.

Splátková kalkulačka Home Credit

Objednací kód: 41501MPN: OK-50W13Záruka: spotřebitel 24 měsíců / ostatní 12 měsíců
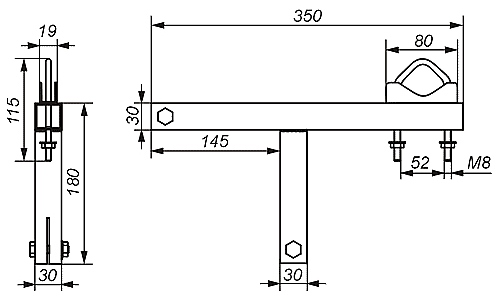
PŘEHLED Objímka se zesíleným profilem. Možnost montáže velkých anténních konstrukcí nebo SAT disk ke komínu. Připevnění pásky: Pásku zakládáme do zářezu šroubu, následně navineme 30 cm a teprve potom stiskneme matkou. Pásku takto připevněnou k jednomu konci objímky natáhneme šroubem na druhém konci (přitom dbáme na to, aby se navinulo minimálně 30 cm pásky). Teprve pak dotáhneme matku. SPECIFIKACE Materiál * Kov Průměr stožáru * max. 50 mm Délka pásky * 2 x 5 m Vybrané vlastnosti * Vzdálenost od od stožáru ke komínu : 0.13 m * Galvanizováno * Zesílený profil Celková hmotnost * 3,0 kg Rozměry (DxŠxV) * 350x180x30 mm Balení * Kartón
Příslušenství k tomuto produktu je…

Mějte informace o slevách jako první! Stačí vyplnit e-mailovou adresu a je to.